應用領域:
臭氧水制取、富氧水制取、噴霧處理、氣浮處理
材質:
不銹鋼,
產品說明:
南方泵業氣液混合泵是臥式安裝的不銹鋼自吸式氣液混合泵,過流部件均采用不銹鋼材料制成,泵運行時邊吸水邊吸氣,泵內加壓混合。
性能及優點:
性能穩定、低噪音、氣液溶解效果好、可大幅省略輔助設備
技術參數:
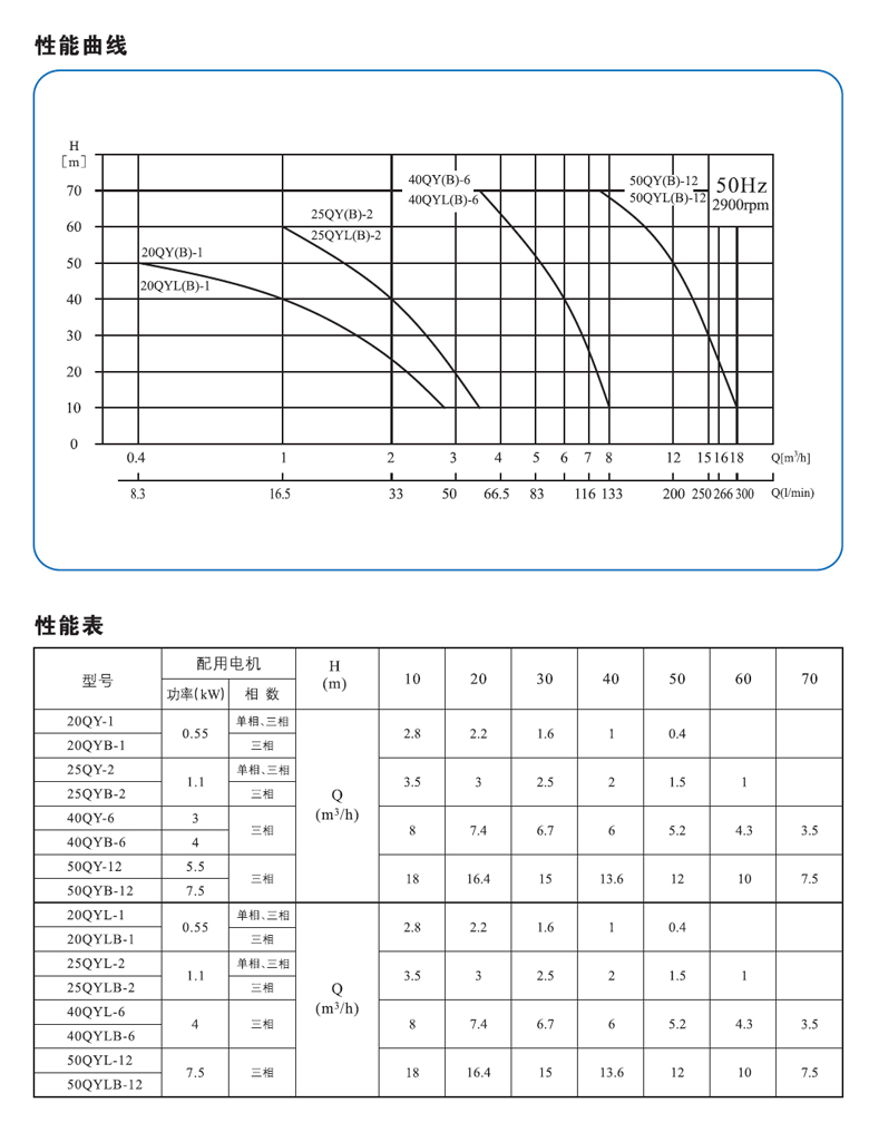
流量:0.5m3/h~18m3/h
揚程:10m~70m
功率:0.55kW~7.5kW
液體溫度:-15℃~+120℃
頻率:50Hz





昆山卡尼爾工業設備有限公司
聯系人:周經理 13962421982
聯系人:郭經理 15962629765
郵箱:109457180@qq.com
工廠:杭州市余杭區仁和街道仁河大道46號